
在建筑施工领域,安全措施显得尤为重要。以往的简单防护栏存在诸多安全隐患,但新型高安全级别的施工护栏的出现,无疑给人们带来了新的希望。
建筑施工防护现状
建筑施工是将设计图纸转化为实际建筑的过程。施工过程中,企业常常遇到安全防护的挑战。往往只能借助脚手架和扣件来搭建临时的防护栏。但这类防护栏功能单一,安全性不足,无法充分保障施工现场和行人的安全。因此,对防护栏的改进成为施工中迫切需要解决的问题。
实用新型护栏诞生
针对这些问题,我们研发了一种安全性极高的施工围栏。设计团队经过反复研究,力求提高其安全性。他们充分考虑了建筑施工的具体需求,致力于制造出更可靠的防护设施。这一创新技术有望有效改善施工防护的不足现状。
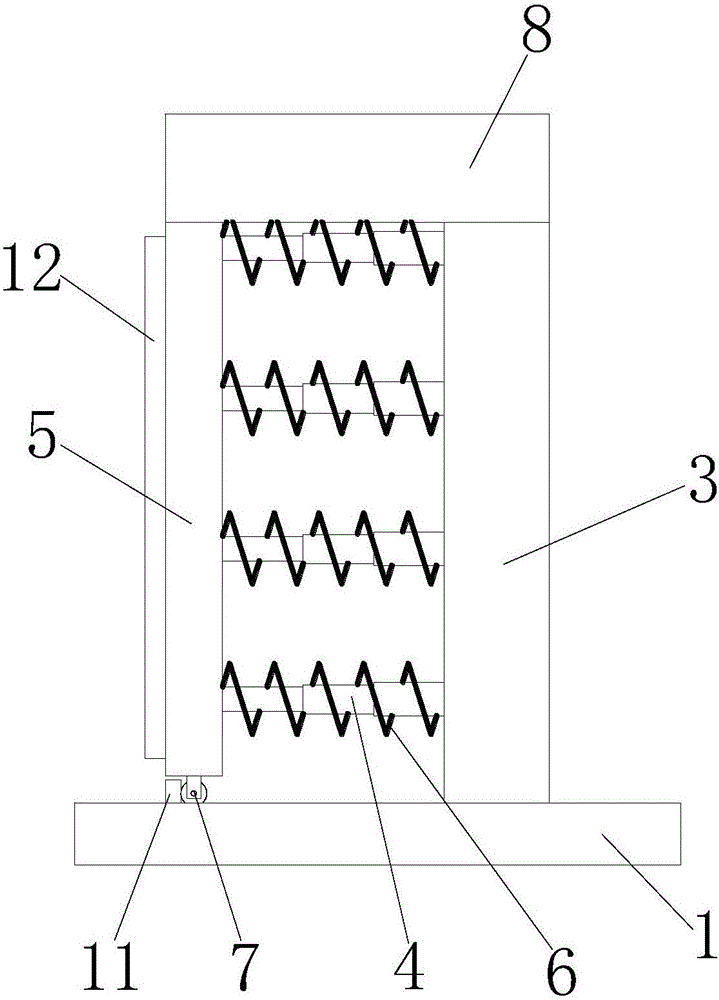
活动板与防护原理
活动板的移动是此护栏的一大亮点。若行人不小心撞上活动板,它便会向主架移动。此时,伸缩杆和减压弹簧起到了至关重要的作用。它们能够显著减少活动板所受的冲击,并减轻行人因惯性产生的力,有效保障行人安全,尽可能减少在意外情况下的严重伤害。
缓冲垫与气囊设计
活动板表面装有缓冲垫,里面还配备了气囊。一旦发生碰撞,缓冲垫首先发挥作用,减轻活动板所受损害。同时,内部的气囊能进一步分散冲击力,显著增强了建筑施工护栏的安全性,为施工人员及附近行人提供了更加可靠的保障。
护栏优势综合体现
这款护栏优点不少。首先,它的安全性很高,能有效确保施工和行人的安全。其次,适用性广泛,适合多种建筑施工场合,不论规模大小。再者,可靠性强,能持续稳定地发挥防护功能,延长了护栏的使用年限,减少了维护费用和财产损失。此外,价格合理,企业可低成本提升安全防护水平。
推广应用前景展望
这款建筑施工护栏安全性强,已在一些项目中投入使用,效果非常明显。鉴于建筑施工对安全的追求日益增强,我们相信它将得到更广泛的普及。它有潜力成为防护领域的首选产品,为建筑行业的安全进步提供坚实的支持。
这种高安全性能的建筑施工护栏,大家是否认为它能彻底扭转建筑施工安全防护的现状?欢迎大家在评论区留言讨论,同时别忘了点赞支持这篇文章!